Home
/
AMT QSP-379F-95 Self-Priming Sprinkler/Booster Centrifugal Pump
AMT QSP-379F-95 Self-Priming Sprinkler/Booster Centrifugal Pump
324 sold
Quantity
-
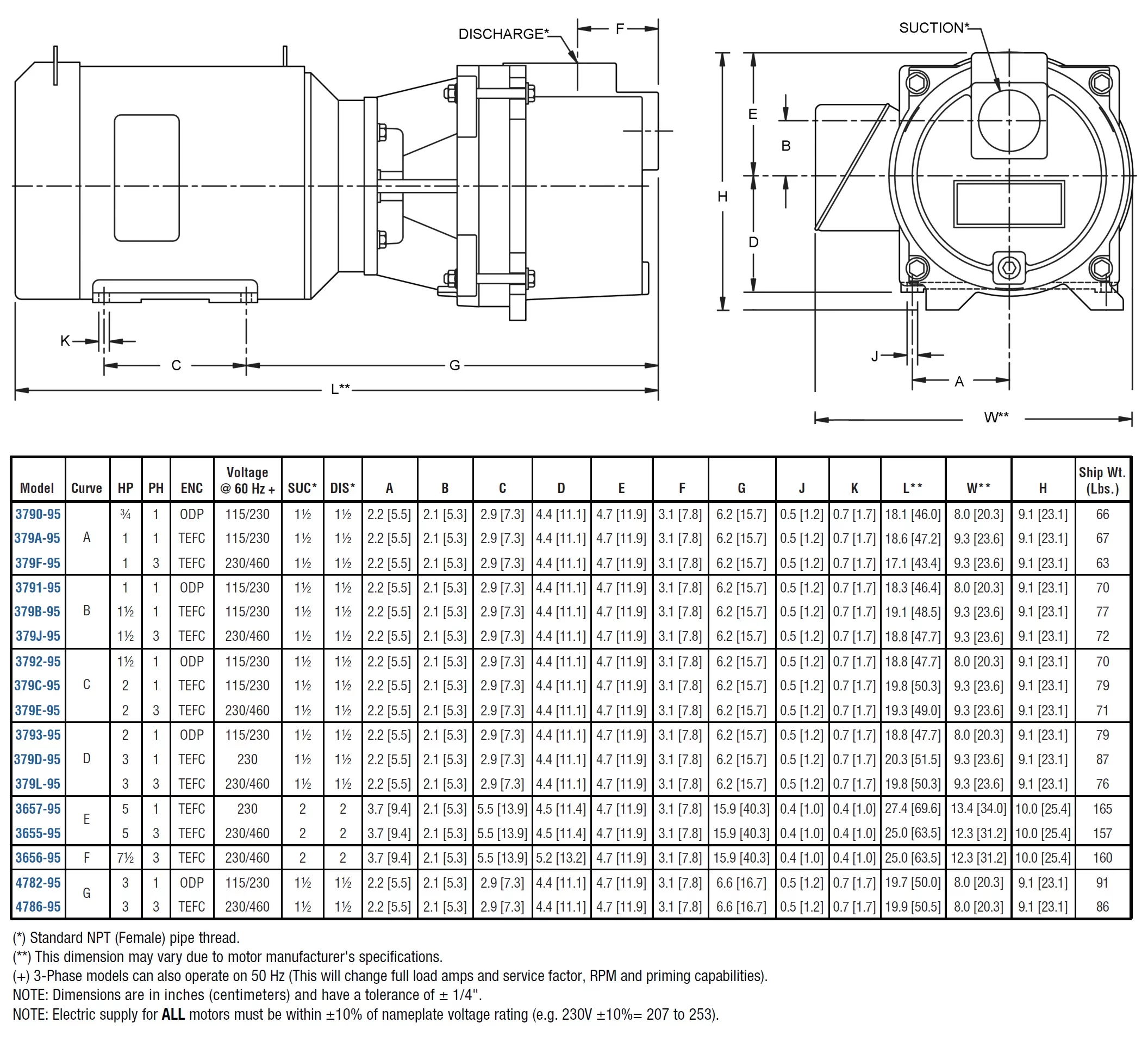
DetailCarbon/Ceramic Buna-N Seal & O-Ring Optional Factory Installed SiC/SiC Seal with VitonĀ® Elastomers, Check/Flapper Valve and O-Ring (365X-300-V0) or Carbon/Ceramic VitonĀ® Seal, Check/Flapper Valve and O-Ring (365X-300-VS) Type 21 Mechanical Seals Handle Max Working Pressure to 150 PSI Self-Primes to 20 Ft. with Built-In Check Valve Maximum Solids Size: 1/16" Removable/Replaceable Dual Volute/Diffuser & Casing O-Ring Easy Cleanout Design
-
Customer ReviewsNo comments